NOVEDAD: Protecciones DACN1-25CVGS-31-275/SC con contador integrado.
En Enertronic incorporamos a nuestro portfolio el nuevo DACN1-25CVGS-31-275/SC de Citel, un dispositivo de protección contra sobretensiones combinadas Tipo 1+2+3 diseñado para la protección integral de redes de baja tensión.
La gama DACN1-25CVGS está basada en la tecnología VG (Voltage Guard), que asegura una capacidad de descarga de impulso Iimp 25 kA (10/350 µs) por polo, sin corriente de fuga en régimen permanente y con una elevada capacidad de soportar sobretensiones temporales (TOV) optimizada. Esta tecnología garantiza un comportamiento estable y seguro incluso en condiciones de red exigentes, minimizando el envejecimiento prematuro del equipo.
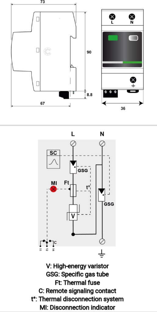
Su diseño compacto monobloque facilita la instalación en carril DIN y optimiza el espacio en cuadro eléctrico. El equipo integra:
-
Seccionador térmico interno para desconexión segura en fin de vida.
-
Indicador mecánico de estado para verificación visual inmediata.
-
Contacto de señalización remota para integración en sistemas de monitorización y mantenimiento predictivo.
La versión SC incorpora adicionalmente un contador de sobretensiones, permitiendo el registro de eventos y facilitando la trazabilidad y el análisis del nivel de exposición de la instalación.
- Protección de tipo 1 + 2 + 3
- Con contador de sobretensiones
- VG tecnología
- Iimp : 25 kA (onda 10/350µs)
- In : 25 kA
- Sin corriente de fuga
- Monobloc
- Teleseñalización
- Certificado EN 61643-11, IEC 61643-11

Referencias:
DACN1-25CVGS-11-150, DACN1-25CVGS-11-150/SC, DACN1-25CVGS-11-275, DACN1-25CVGS-11-275/SC, DACN1-25CVGS-11-320, DACN1-25CVGS-11-320/SC, DACN1-25CVGS-11-385
DACN1-25CVGS-11-385/SC, DACN1-25CVGS-31-150, DACN1-25CVGS-31-150/SC, DACN1-25CVGS-31-275, DACN1-25CVGS-31-275/SC, DACN1-25CVGS-31-320, DACN1-25CVGS-31-320/SC
DACN1-25CVGS-31-385, DACN1-25CVGS-31-385/SC

